Pohon násypky pro semeno
|
Výrobek
|
Jednotka
|
Info |
Pozice |
|---|---|---|---|
| Kongskilde 47798512 Čep 4 x 25 mm |
Kus |
4x25mm, Din 94, A2, Qty. 2
|
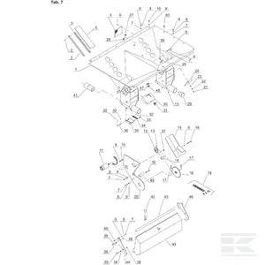
Fig.7B Pos. 17
|
| Kongskilde 7000603346 Kontra matice |
Kus |
Qty. 2
|
Fig.7B Pos. 27
|
| Kongskilde 7000044702 Gumolano |
Kus |
Qty. 1
|
Fig.7B Pos. 42
|
| Kongskilde 7002154459 Pryžový profil |
Kus |
Qty. 1
|
Fig.7B Pos. 43
|
| Kongskilde 7002154457 Vyprazdňovací nádoba |
Kus |
Qty. 1
|
Fig.7B Pos. 45
|
Nejprodávanější
Stránka 1 z 1 -
4 položek celkem
Řazení produktů
Výpis produktů
Ovládací prvky výpisu
4 položek celkem


